国务院
省政府
市政府
无障碍
|
关怀版
网站支持IPV6
首页
政务资讯
政务公开
政务服务
政民互动
政府数据
专题专栏
县情简介
搜索
当前位置:
首页
>
政务公开
>
政府信息公开专栏
>
部门信息公开
>
生态环境局
>
法定主动公开内容
>
污染防治
>
环境监测
信息类别:
环境监测
公开方式:
主动公开
生成日期:
2024-12-24
公开时限:
常年公开
公开范围:
面向全社会
信息索取号:
000014349/2024-19182
责任部门:
九江市德安生态环境局
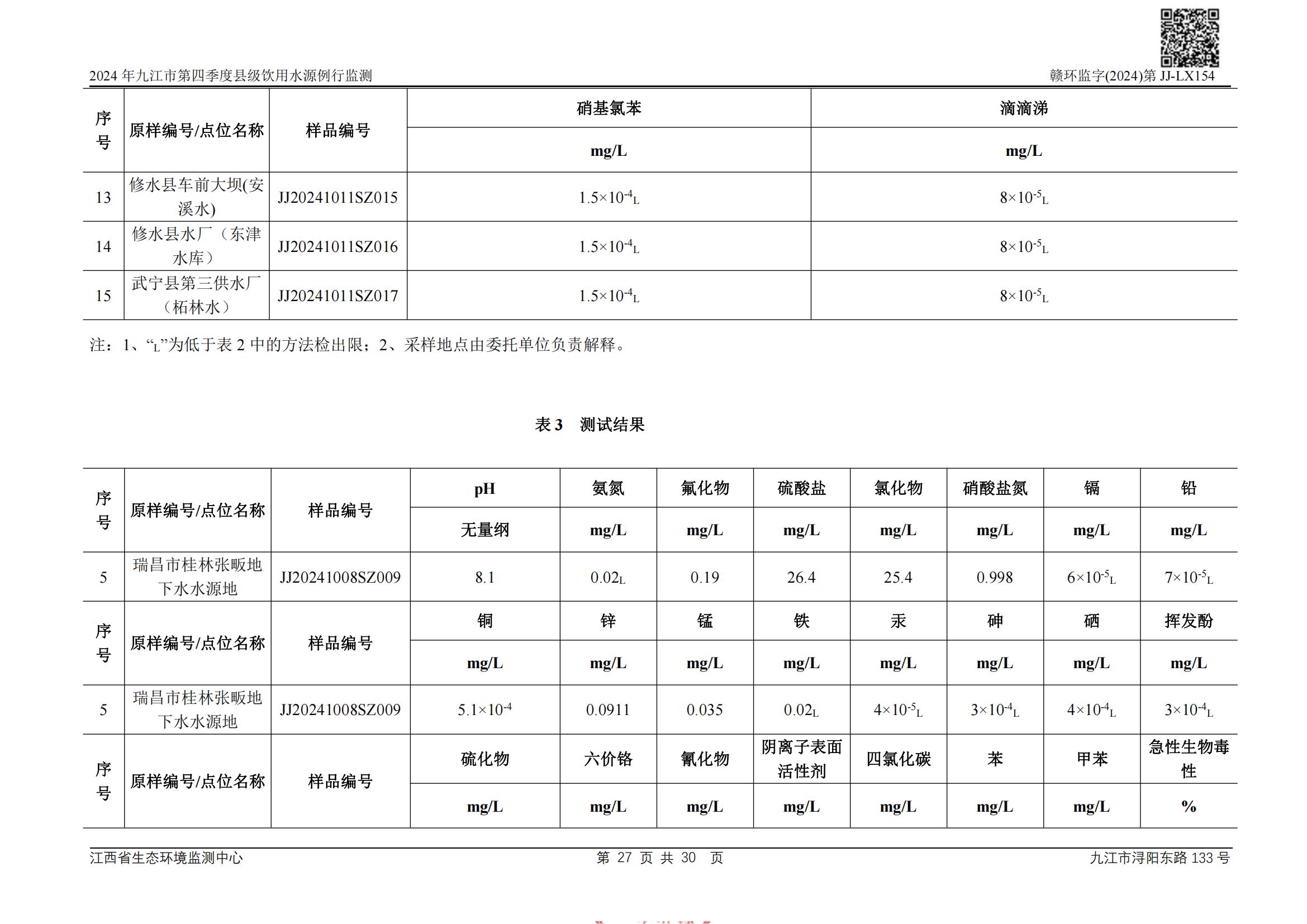
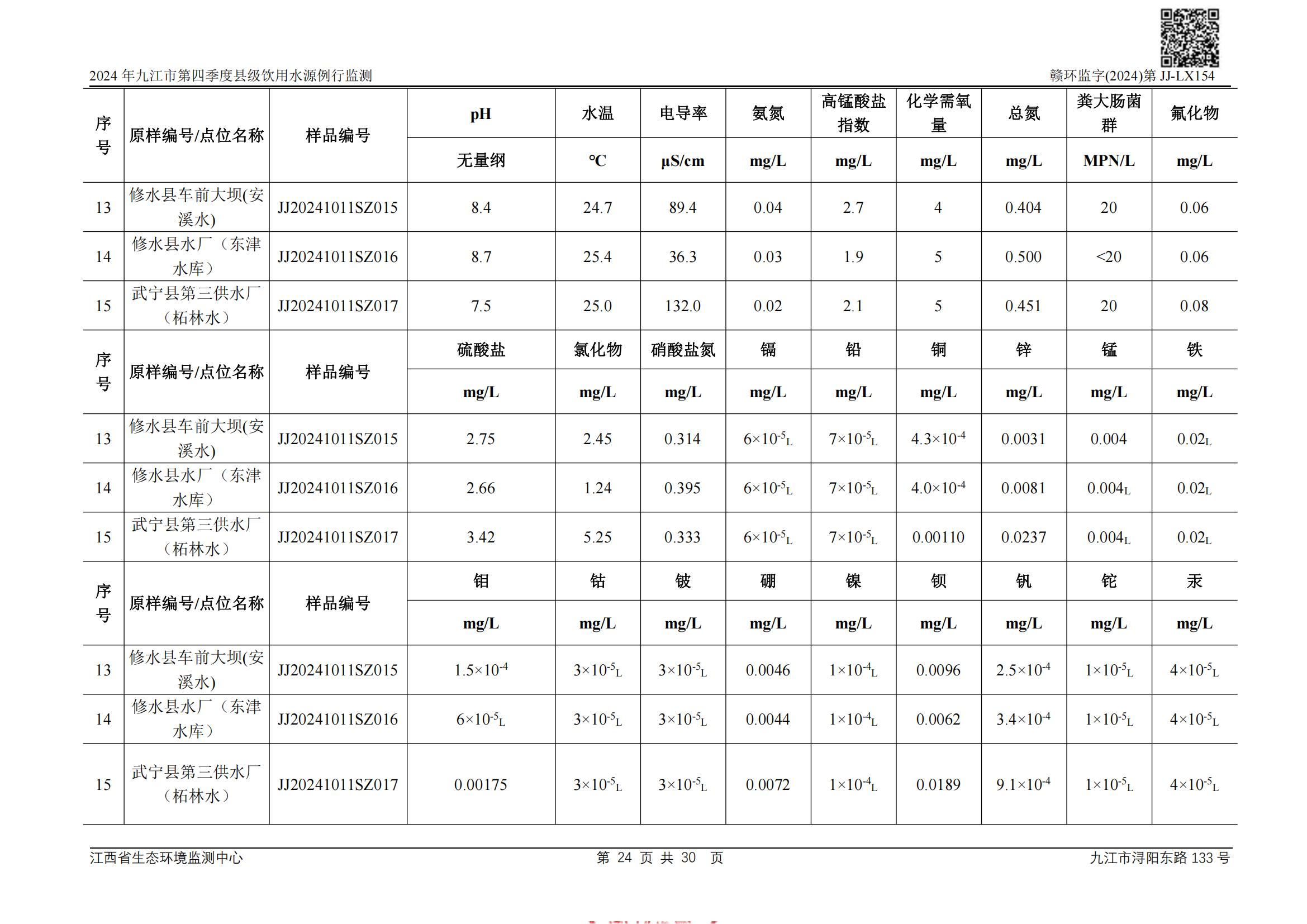
2024年九江市第四季度县级饮用水源例行监测监测报告
来源:
发布时间: 2024-12-24 09:03
关联导读:
附件下载
打印
关闭
6804599
2024年九江市第四季度县级饮用水源例行监测监测报告
282540
环境监测
文字
九江市德安生态环境局
2024-12-24
九江市德安生态环境局